图知网
搜索
首页
热门推荐
图片分类
这是吊灯里的变压器电路,根据实物绘制,输入ac220v,输出dc3v,想知道其
下载原图
相关图片
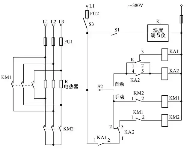
28例电气自动控制电路图,都是干货,快收藏吧!
电动机y_^降压启动电路图. 机械制图__吊钩 - 抖音
中国工控28例电气自动控制电路图都是干货快收藏吧
cx20电路图-1
电工电子实习继电-接触器控制系统的电路设计
用与非门设计一个四变量多数表决电路 急求.
为你推荐
把手消毒机,语音电梯!山工艺再推一组防疫产品设计
我心情很不好,并且叉着腰 - 我心情不好,并且…_心情不好表情
敲黑板
单排双皇已完成,单排的心累_来自网易大神猫和老鼠圈子_虎牙心累梦
快乐假期,多彩生活(三)——望亭镇大望亭小学四年级"新年贺卡"迎新年
东北土特产松蘑大兴安岭野生红蘑菇农家新鲜山货辽宁香菇类
一次拆整盒荣耀版奥特曼卡片是一种怎样的体验?柚子爸告诉你!
红军使用过的迫击炮弹