图知网
搜索
首页
热门推荐
图片分类
船用起重机回转支承结构形式及技术要求
下载原图
相关图片
支承式支座 支承式支座多用于安装在距地坪或基准面较近的具有椭圆
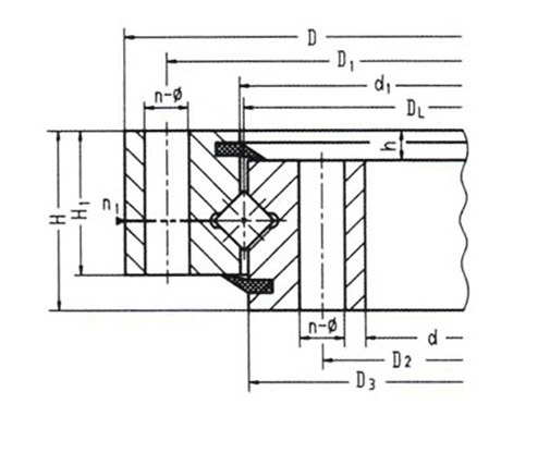
正圆单排球式回转支承qua.560.20
系列) -内齿式 单排四点接触球式回转支承由两个座圈组成,结构
直线运动滚动支承的分类结构与代号
所有分类 高等教育 工学 第十一章 支承ppt (2)剖分式圆柱形轴承结构
单排球式回转支承(l系列)
为你推荐
匪帮说唱传奇
43岁林志玲颜值太逆天红裙配皇冠手拿仙女棒确定不是天仙下凡吗
m&ms牛奶巧克力豆100g/瓶奶香精选甜蜜缤纷可可脂美味
加油站效果图
科幻美剧《星际迷航奇异新世界》来袭
周大福凤冠
禧利郎香蕉海南三亚香蕉新鲜的水果皇帝蕉大香蕉芝麻蕉 2把9--10斤
解剖丨腹部腹壁腹膜