图知网
搜索
首页
热门推荐
图片分类
沙溢 武林外传 搞笑 好好想想
下载原图
相关图片
沙溢好男人形象直接崩塌点赞网红美女自拍照网友评价却一边倒
寒潮来袭!
沙溢#武林外传##头像# #小清新# #.
沙溢gif我不知道啊gif
此时此刻 沙溢十足0899
沙溢怎么不演戏了
为你推荐
"他还只是个孩子!"你说过这句话吗?
建党节汇报宣传介绍ppt模板.pptx 24页
植物生长过程手绘., #画画# #绘画# #彩铅# #绘画日常# #我的随手画
七龙珠壁纸 #七龙珠 #动漫壁纸 #每日壁纸 #手机壁纸 #比鲁斯
天竺葵扦插
兰蔻粉金管小蛮腰口红色号推荐
大嘴猫系列#我家宠物好可爱 #甜甜的恋爱#情侣表情包 #猫咪表情包
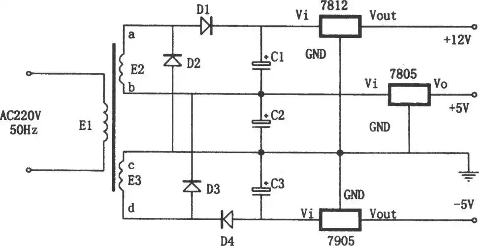
稳压电源电路图