图知网
搜索
首页
热门推荐
图片分类
一款实用的锂电池充电器
下载原图
相关图片
常用电动车充电器三种电路
文档下载 所有分类 工程科技 电子/电路 > 特能4820锂电池充电器原理
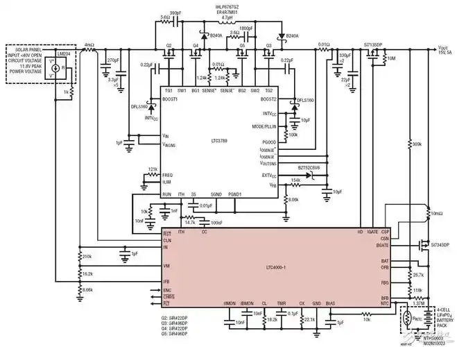
降压-升压型转换器4节磷酸铁锂(lifepo4)电池充电器电路图
摩托车蓄电池充电器电路图锂电池充电器电路-东哥单片机学习网电瓶
1 方案一一款极简单的锂电池充电器 该装置的电路工作原理如图2-1所示
简单的锂电池充电器电路原理
为你推荐
我的cp天下第一甜《玄彬孙艺珍》
葡萄小镇环境人像照片集
刘亦菲露水红颜一组精美剧照太美了
白鹿以爱为营婚纱造型拍摄路透
【多图】华发广场横琴湾(36地块),拱北口岸租房,横琴湾3房出租,可配
天使与恶魔图片
[指绘]杀手sans,第一次画,简直太丑了.
原创尹正发文您看我不顺眼就甭来眼不见为净别给自己个儿添堵