图知网
搜索
首页
热门推荐
图片分类
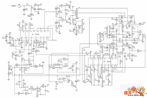
简单易制逆变器电路图
下载原图
相关图片
pwm逆变器电路图工作原理
逆变器电路
最简单的逆变器
自制逆变器简单的方法做一个逆变器12v转220v
200w逆变器电路图
一款具备应急功能的逆变器电路图
为你推荐
动漫头发画法
手扶拖拉机农用大马力打田翻地头车斗配套四驱手扶拖拉机单筒机
世界名画少女 世界名画少女抱着一个罐子
小众治愈romance钢琴谱
柴油丰田海狮面包车14座大空间普拉多同款28t6at
约么浣熊表情图片聊天图片表情
李旦剧照
balenciaga巴黎世家连帽卫衣