图知网
搜索
首页
热门推荐
图片分类
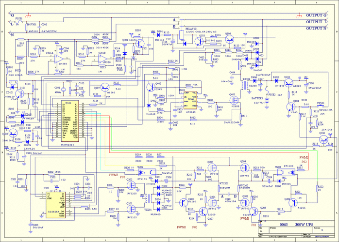
ups500w的电路图2
下载原图
相关图片
一例山特ups c3k/c3ks 3kva 不间断电源在线式电源板不充电维修
ups线路图
山特ups电源维修mt500pro
山特ups电源电路图
ups电源图纸-迅维网-维修论坛
山特ups电源原理图_第3页
为你推荐
全品清代青花三星人物高足碗_青花瓷_收藏价格_鉴定交易_7788瓷器网
野良神##夜斗
天官赐福图片
南部县人民医院:精准陪护管理,有力阻击疫情
西周是因褒姒灭亡的吗?西周灭亡的原因何在?
为英雄点赞!
广汽本田冠道增新车型 配双色车身/售29.58万元
车漆裂小细缝怎么修补?怎么防止汽车车漆裂小细缝?