图知网
搜索
首页
热门推荐
图片分类
禄兴记香港大排档(云汇店)的港式菠萝油好不好吃?用户评价口味怎么样?
下载原图
相关图片
表妹香港靓点餐厅冰火菠萝油图片 - 第1张
香港新记茶餐厅(香槟广场店)菠萝油图片 - 第363张
华嫂冰室-招牌菠萝油-菜-招牌菠萝油图片-香港美食-大众点评网
菠萝油成为香港人至爱是有原因的
早餐很有香港茶餐厅feel,菠萝油也不错#la美食
港式菠萝油
为你推荐
北京新能源自卸货车福田瑞沃s1ev报价
p站二次元帅气女生头像分享
还记得她"鸡腿姑娘"来自哪部剧的称呼吗?
彩铅绣球花
找不见的珠宝在哪里?奇门遁甲帮找回!
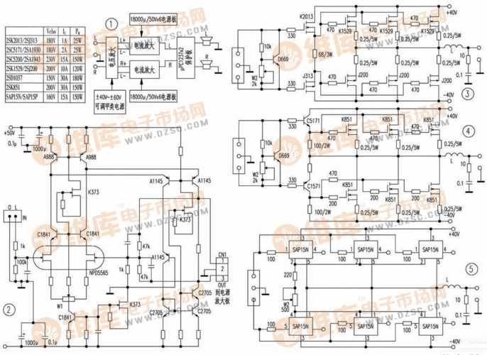
制作晶体管靓声甲类功放电路图
消息已发出但被对方拒收什么意思你还不是他她好友
抖音售后处理拒签后退款功能使用说明