图知网
搜索
首页
热门推荐
图片分类
宝马5系 2021款 改款 530li 领先型 豪华套装图片_宝马_38/110张图片
下载原图
相关图片
华晨宝马 宝马5系 2021款 525li m运动套装
华晨宝马 宝马5系 2021款 525li m运动套装
宝马5系2021款525li豪华套装 上牌时间:2021年1 - 抖音
南通宝致行>华晨宝马>宝马5系>2021款530lixdrivem运动套装>碳黑>其它
宝马5系2021款525lim运动套装.宝马5系 2021款 - 抖音
唐山2021年6月宝马宝马5系2021款525lim运动套装白色手动挡
为你推荐
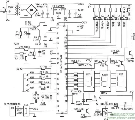
智能模糊控制电饭锅电路
谁说五官立体才是美这10位大饼脸女星个个都难以超越
293个百家号最新表情符号的含义
十二星座女生专属头像双鱼座带眼
适合女生的纹身,适合女生的一组莲花线条纹身图案(适合女生的纹身作品
悉尼城市在晚上,摩天大楼,灯光 壁纸 - 2560x1440 qhd高清
蛇 素描 速写 创意美术 绘画 画画 手绘动漫
0458 汉代 白玉舞人