图知网
搜索
首页
热门推荐
图片分类
潍柴wd615(国ii)发动机的结构
下载原图
相关图片
柴油发动机燃料供给系统主要部件的结构与维修
图解柴油机的内部构造--潍坊华岳动力解析
柴油发动机燃料供给系统主要部件的结构与维修
涨姿势柴油机大修全过程
图解柴油机的内部构造--潍坊华岳动力解析
【转载】分解发动机(图)
为你推荐
五一劳动节开始家里大扫除
硝酸钆(cas:94219-55-3) 结构式图片
100款新年开运美甲!时髦又显白,短甲也能做!_网易订阅
耍流氓也该有个度广州外卖员上门送餐离开前闻舔女生鞋子
请你观影诉说母女亲情大片候鸟入围四大国际电影节611正式上映
吸附法(活性炭)油气回收系统在石油库的应用
龙珠 #七龙珠 #龙珠z #那美克星篇 #萨博
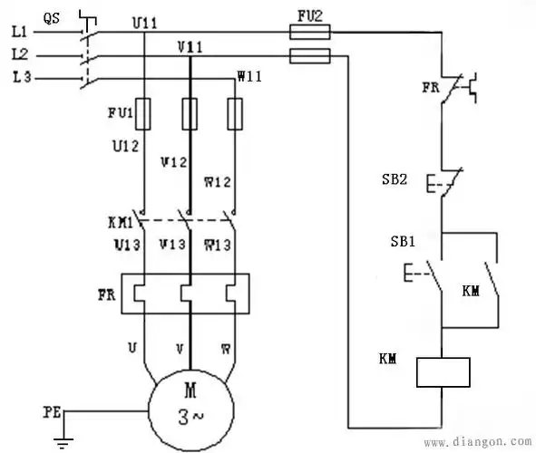
电机自锁接线图 - 第2页 - 电路图分享_电工学习网