图知网
搜索
首页
热门推荐
图片分类
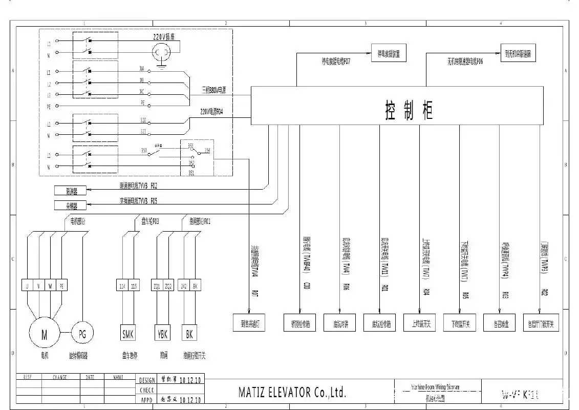
沈阳富士电梯电气原理图
下载原图
相关图片
电梯主电路有哪些
电梯安全回路分析及故障判断
三层电梯电路图
西奥xo-con4342电梯电气原理图
求简易4层货运电梯控制电路图(全接触器 继电器控制的)谢谢!
美迪斯电梯电气原理图
为你推荐
小学生汉语拼音字母表声母韵母九九乘法除法口诀26个墙贴
怎样辨别蒲公英的真假(蒲公英真假辨别方法)图1
中长碎发发型图片女减龄2022(中长碎发40-50岁减龄发型最新)-天晟网
男生头像冷酷帅气高清2020精选帅气冷酷无情的头像
耶鲁大学yaleuniversitylogo矢量素材下载
龙珠超
马思纯旧照好美
各位有什么逗比壁纸吗