图知网
搜索
首页
热门推荐
图片分类
baby达尼亚原版吉他谱
下载原图
相关图片
达尼亚吉他谱_朴树_《达尼亚》原版弹唱六线谱_高清图片谱
达尼亚吉他谱_朴树_《达尼亚》原版弹唱六线谱_高清图片谱
朴树《达尼亚》吉他谱_六线谱_弹唱图谱
朴树达尼亚吉他谱bb调六线谱摇摆节奏完形吉他
朴树《达尼亚》吉他谱_六线谱_弹唱图谱
吉他谱baby达尼亚bb调吉他弹唱谱朴树
为你推荐
有什么angelababy的绝美头像吗集美
开蚌直播淡水紫色爱迪生珍珠自己开海水黑珍珠特大河蚌鲜活裸珠
微胖女生梨形身材格子裙bm风穿搭
2021年新年男生发型别盲目剪试试这3款新潮有型又帅气
直发发型2021女中长发,清爽有气质的直发发型
五香卤料包家庭卤秘制配方商用麻辣卤水卤肉鸭脖卤蛋香料调料大全
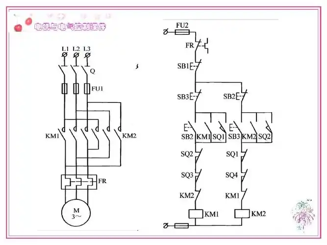
电动机制动控制线路 三相异步电动机正反转控制电路 电子元器件图片
韩服lol客户端打开后提示更新失败求救!