图知网
搜索
首页
热门推荐
图片分类
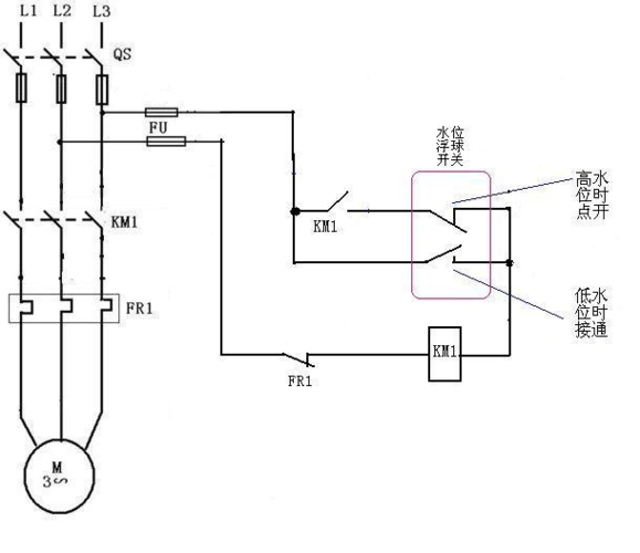
5千瓦三相水泵,一个cj20一63交流接触器,一个浮球控制器,求接线图
下载原图
相关图片
浮球开关khf-1c接线方法读懂了吗?_设备_控制_电路
一个启动按钮和一个停止按钮加上接触器和续电器,hh52p和浮球开关
浮球开关控制水泵供排水的接线_根线_万用表_蓝色
球液位控制器原理接线 第1页 (共3页,当前第1页) 你可能喜欢 浮球开关
用一个浮球和一个交流接触器手动自动控制三相潜水泵接线图
浮球开关3根线都是什么线万用表怎么判断常开点no和常闭点nc
为你推荐
这样的姿势很伤腰,你有中招吗?
侯宝林
万水千山总是情
送亲歌(鄂尔多斯蒙古族民歌) 乌兰琪琪格 歌谱简谱网
简单好看儿童画~宇航员,外太空(有步骤图)
王者荣耀 #王者荣耀上分 #巅峰赛 #王者荣耀dd #王者荣耀新赛季
black vultures from dadia national park in northern greece often
【可能是最好看的无托步枪】以色列塔沃尔x95