图知网
搜索
首页
热门推荐
图片分类
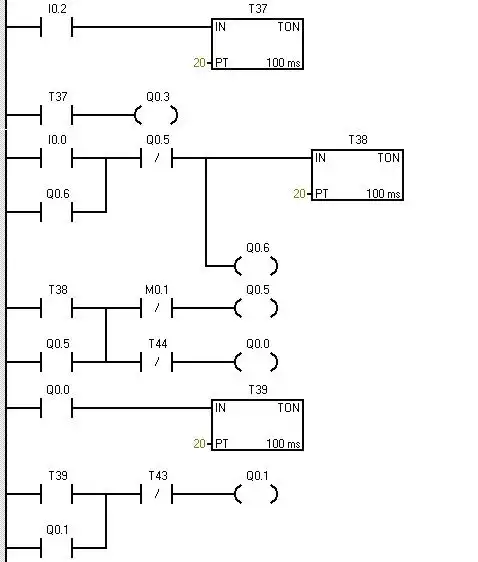
送料机电路控制原理
下载原图
相关图片
基于plc的自动送料小车控制系统设计
一种自动控制给料机的电气控制系统
1 plc自动送料车生产线控制系统
12,料仓缺料自动上料,料满自动停止电路
沥青混凝土拌料机自动上料控制器
自动送料装车系统plc控制设计
为你推荐
06陈志朋
壁纸 流星,太空,蓝光
易烊千玺之前的五官缺陷最明显的就是单眼皮和嘴型与牙的缺陷,不过笑
金灿灿!混血儿明星"高尚医德"-第1张图片-锦绣博客
超酷超帅动漫男头像相关标签动漫图片冷酷男生
自装日记|油漆:多乐士浅沙色
你们见过狗子在车上这样睡觉的吗0909
四年级三角形手抄报