图知网
搜索
首页
热门推荐
图片分类
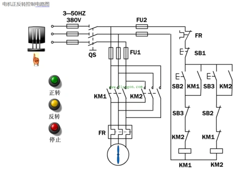
电动机正反转怎么接线?4张电路图供大家参考_控制_进行_小车
下载原图
相关图片
电工新手,请教老师傅,发张控制电动机正反转电路图和实物接线图,发到
下一页 你可能喜欢 三相异步电动机正反转控制电路 电机正反转接线图
电工实训项目教程09-2三相异步电动机的正反转控制线路
正反转控制电路
请高手进来翻译下接线图.能翻译成实物吗?接触器连锁正反转控制
电机正反转的控制问题
为你推荐
古意古风背景
防弹少年团日专《bts, the best》团体封面公开
卡通字|平面|字体/字形|洋得 - 原创作品 - 站酷 (zcool)
好看的星空背景图② 好看的星空背景图,喜欢的93直接拿图哦
超纤牛皮革
知道长宽高怎么算面积
孙悟空龙珠腾讯
(通讯员 周恩龙 侯尚佳 王晨旭 任恺珊)9月23日下午,我院2019级新生