图知网
搜索
首页
热门推荐
图片分类
自动浇水浇花器旅行出差懒人浇花浇水器#好东西一起分享给大家 -抖
下载原图
相关图片
家用自动定时浇花器淋花滴水器喷头滴灌系统浇灌器懒人自动浇水器
用吸管和矿泉水瓶制作简单的自动浇花装置diy方法图解教程
自助浇花器家用可乐瓶浇水喷头花洒头简易蔬菜浇水保湿洒水喷头
浇花神器出差自动浇水家用滴灌滴水懒人盆栽自动灌溉设备
自动浇花器出差家用渗水器定时可调节流速滴灌滴水懒人浇水器神器饮料
共1985 件滴灌自动浇花相关商品
为你推荐
原创张嘉倪长得太精致!黑色打底衣配吊带皮裙时髦吸睛,乖巧似邻家女
正宗整只500g湖南特产香辣手撕烤鸭特辣熟鸭肉零食小吃 中辣味【图片
hoscene17式布鞋男部队作训鞋军鞋解放鞋飞织布鞋软底老北京布鞋户外
机灵小匠格斗机器人加盟
三亚湾椰小鸡赞不绝口的海南特色美食05
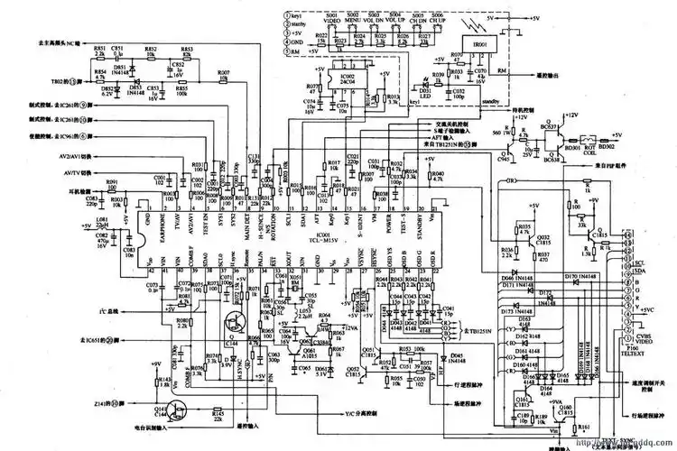
电视机电路 一,遥控电路的组成 遥控电路由主控微处理器ico01
最难的繁体字叫我写(这些复杂的汉字,笔画最多的有172画,真是太难写了
贺先生的恋恋不忘 ##有一个好闺蜜是什么体验