图知网
搜索
首页
热门推荐
图片分类
二极管与,或门,三极管非门电路原理
下载原图
相关图片
ttl或非门
非门电路图
或非门-电路图-电子产品世界
请问逻辑门电路中 非门原理 结果很简单的,需要详细一点的分析.
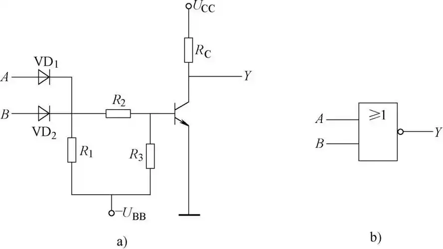
图1-17 或非门电路及其逻辑符号
三个二极管和一个三极管构成的或非门电路
为你推荐
路人街拍,美女穿绿色的皮裙舒适又气派,清新淡雅很迷人-第2张图片
第四季经典咏流传
解:(1)画树形图如下所示
荷韵城固线上活动获奖名单公布快来看看有没有你
澳门最著名的地标景点,几乎所有去过澳门旅游的 - 抖音
益禾堂
三年级上册语文《读不完的大书》,跟随一线教师梳理本课知识点
带你回忆依发卡车