图知网
搜索
首页
热门推荐
图片分类
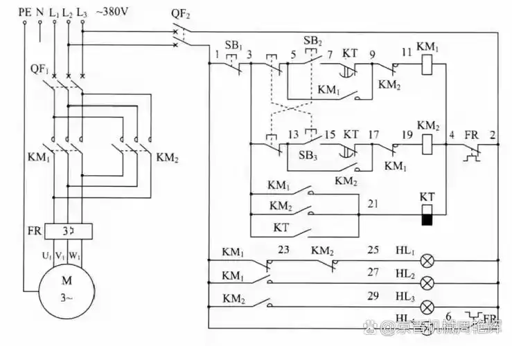
正反转电路原理图,一个是电气互锁🔒正反转,一个是双重互锁正反转.
下载原图
相关图片
延时开启——正转——停止——延时自动开启反转——停止.
三相异步电动机正反转延时电路.
接触器负责转换电机正反转就行了,切换时间就是时间继电器的延时时间
时间继电器控制电路正反转防止短路
电动机正-停-反转控制原理图 主电路 控制电路
正反转电气原理图
为你推荐
钟汉良侧颜
里的笔顺是什么
病娇男头-头像库啊-话本小说网
易烊千玺 adidasoriginals品牌代言人
职业装女神|职场女性_网易订阅
朴炯植
英短蓝白可爱猫咪日常
《梦幻西游》电脑版壁纸站_《梦幻西游》电脑版官方网站