图知网
搜索
首页
热门推荐
图片分类
三相桥式电阻负载整流电路
下载原图
相关图片
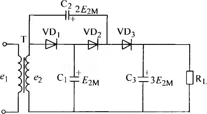
三倍压整流电路
利用二极管 全波整流 单相整流 三相整流的 电路图 怎么画
是利用二极管的单向导电性,靠6只二极管组成的三相桥式全波整流电路变
如果在每支整流二极管上并联一个rc吸收电路,输出电压就变成640v了
在三相桥式整流电路中,它的电压平均值通过计算可得,为半波整流电路的
初级模拟电路23整流电路
为你推荐
中国实力派演员中国最佳男演员排行榜
汉服女古风超仙飘逸魏晋风绿色直裾大袖中国风晋制交领广袖流仙裙
但其实,《夏洛特烦恼》里的宋阳,绝对是在扮丑
为什么丹凤眼的女人不能要
粉色爱心图案水杯
其它 4.热气球(线描二)绘画目的: 1.认识圆形,梯形和倒梯形. 2.
水鼓是德昂族古老的传统打击乐器.
靠《新乌龙院》大火,被母亲败光千万家产的郝邵文,今现状如何_媒体