图知网
搜索
首页
热门推荐
图片分类
78蕾姆78马克笔手绘
下载原图
相关图片
猫耳雷姆过程(半成品)#二次元 #动漫 #手绘 #临摹 #从 - 抖音
日常毁画 #手绘 #雷姆 #马克笔手绘 - 抖音
日常毁画 #手绘 #雷姆 #马克笔手绘 - 抖音
马克笔临摹雷姆
[马克笔/彩铅] 六十倍速的蕾姆手绘过程
手绘卡 #马克笔 #二次元 #蕾姆 这张色调画的很喜欢
为你推荐
海之精灵有机宝石珊瑚
tfboys的《样(young)》
瓢- 热门商品专区
完成路网投资近160亿元!安徽交控集团持续扩投资强主业
> 和路雪梦龙双重脆层流心酱红覆盆子口味冰淇淋72g商品评价 > 您没有
健身房 运动场 幼儿园安全防滑地板 橡胶
但在账户划扣的方式上,则是数字人民币钱包的余额兑换先存入建设银行
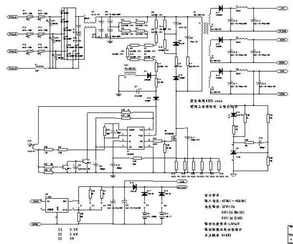
多功能表开关电源原理图原理图如下电源设计要求输入电压42vac