图知网
搜索
首页
热门推荐
图片分类
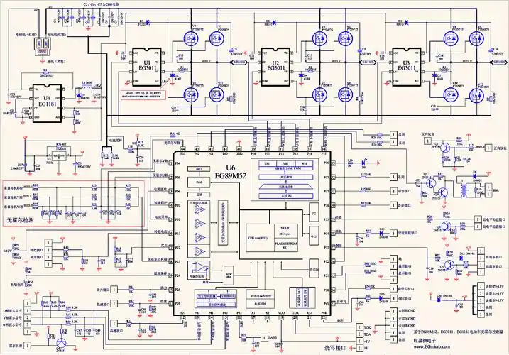
电动车控制器电路图
下载原图
相关图片
60v350w6管电动车无刷双模控制器电路图原理补充
电动车控制器电路图解
48改60v的控制器问题 电动车综合讨论区
控制器(2) - 一起哔哔
电动车控制器原理图
控制器
为你推荐
秋浦民俗文化馆
身高17252公斤体脂秤
三世代图鉴精灵宝可梦口袋妖怪
张婉清红丝绒吊带裙
北海道石狩市 这款校服背心设计很棒,领口的红色蝴蝶结也是很亮眼
小腿前肌群和外侧肌群
〔张日山&尹南风〕你怎么舍得丢下我
欧式铁艺庭院院门别墅围墙大门小区花园单开庭院门