图知网
搜索
首页
热门推荐
图片分类
电风扇电机 台扇电机 马达 落地扇 电风扇配件60w 机头
下载原图
相关图片
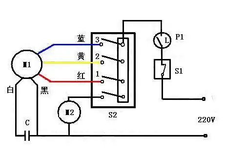
风扇电机怎样接线?图解分析
电风扇电机转向不需要转换,所以图中的转换开关不需要,转动方向决定后
遥控风扇电机五根线,改成三速怎么接
风扇电机有5根线,接线方法和大家分享
电机hd2002电风扇落地扇马达60w纯铜铜线轴承静音风扇
电工知识:电风扇的接线图解,大热天的买了电扇不会接咋办?
为你推荐
画画 #procreate绘画 #tnt时代少年团 #刘耀文 #时代少年团刘
精选十二星座之水瓶座创意设计唯美治愈系桌面壁纸图片高清下载
小鬼王琳凯q版绘制现稿出图
成都简谱123456那种谁有谢谢啦
正方体的平面展开图
名家剪纸作品赏析:镂空剪纸,贵在神韵
香槟色婚礼明暗双场景满足梦幻浪漫的想象
《热血江湖》剑客技能全面分析谈