图知网
搜索
首页
热门推荐
图片分类
jrc4558 维修方法 电子元器件图片 电路图分析 音箱维修 低音炮电路图
下载原图
相关图片
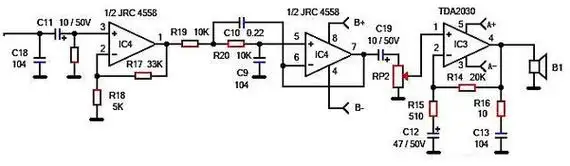
这个电路能否给4558用带音调双22w低音炮电路
4558音调电路图第1页
是高频滤波低通电路,只输出低频信号和极低的中高频,适合低音炮功放
4558单电源电路制作中的问题请教
谁有2.1声道音箱电路图啊2个4558d做前级的
4558双声道运放电路图(六款电路图分享)
为你推荐
电影《追捕》故事,在日本不温不火,删减的内容里有什么
1970年代纽约上流社会奢靡生活
游泳衣分体显瘦遮肚大码泳衣女2024新款保守学生温泉沙滩时尚新款
百数表思维导图
jojo同人图集杂图篇第2期
阿波罗太阳神浏览:17收藏:0支持:1上传时间:2021-06-14 23:47:56
ermenegildo zegna xxx 2021 夏季系列_杰尼亚
有智慧的人才能事事如意文殊菩萨手持如意的启示