图知网
搜索
首页
热门推荐
图片分类
十大传世名画十元代黄公望富春山居图
下载原图
相关图片
十大名画之首《富春山居图》全卷欣赏
名画《富春山居图》几经周折,差点毁于一旦
【馆主推荐】…黄公望高清大图《富春山居图》(点击放大图)
富春山居图 fu chun shan ju tu 王菊浓 wang ju nong
吴成建《精品山水小六尺系列 富居春山图》中美协
富村山居图-富春山居图烟 - 0319娱乐网
为你推荐
揉你屁屁(情侣互撩表情包)
4版"雷震子"的扮演者,李家声经典向佐靠特效,而他造型太前卫_版本_李
有人看生活家吗?邱泽×文淇也太好磕了!
绝美彩虹发色回头率爆表你敢尝试吗
试听180秒【18】大气| 为什么会有沙尘暴?
撒尿牛丸5斤袋装烧烤火锅丸子关东煮麻辣烫火锅食材商用
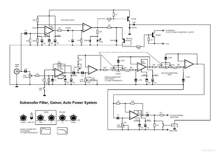
有低音炮前级原理图,觅其清晰的图纸或pcb
白鹰图标