图知网
搜索
首页
热门推荐
图片分类
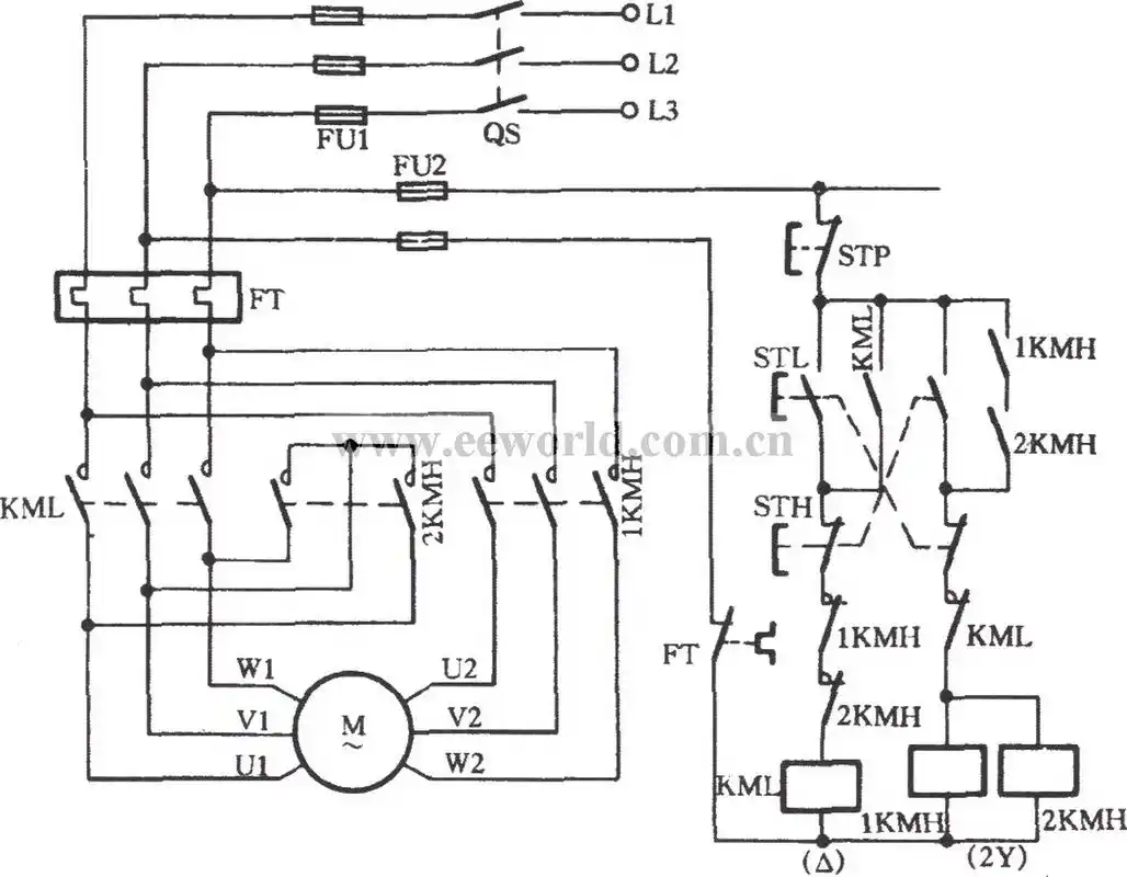
电机双速控制和小车自动行程控制.[心][心]
下载原图
相关图片
现在有一台双速电机要求:在高速低速时都能正反转,那位师傅给我一个
双速电机原理图
双速异步电动机改动转速可选用改动绕组的接线办法来完毕.
时间继电器控制双速电机的控制电路
2种双速电机控制电路详解,双速调节,简单易上手,干货!
双速正反转电机能只接成正反转吗?该怎么接?
为你推荐
【高新教育】有画好好说|宋代,花样的生活
楼里有鹅说了妈妈的来头~ 她妈叫郭敬红,本来就出身名门,早年学的是
手电筒fenix菲尼克斯tk35uev2.0高亮led防水强光手电筒
校园运动会宣传海报设计psd素材
希望是明天见#不露脸系列 #女朋友壁纸 #锁屏壁纸 - 抖音
钟雯wendy的图片
国画没骨画紫薇花
马卡龙.水彩星空