图知网
搜索
首页
热门推荐
图片分类
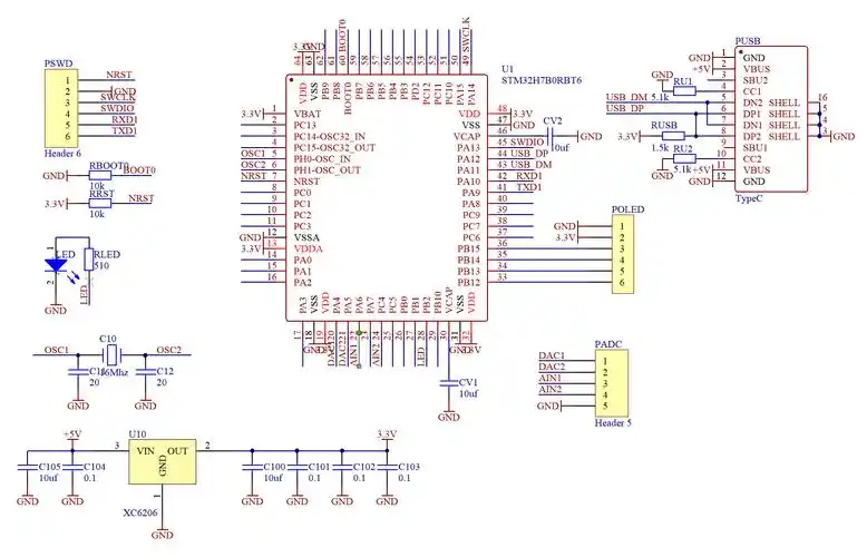
艾洛电路板 iro储纬器 电路板 高品质 纺织机械配件
下载原图
相关图片
储纬器电源板的原理图
明纬电源改可调利器:s-350-24电路图及pcb背板元件位置分布图
tl494
tl494
2.1 实验电路板原理图
2.1 实验电路板原理图
为你推荐
官兵利用手机开放日玩游戏.巴登龙摄
太极→两仪→四象→八卦 的推演
非主流头像女头 清晰好看的非主流美女头像女生图片_女生头像_头像屋
圆形卡纸画画硬纸黑白彩色牛皮纸儿童diy美术折纸
[动物] 荷花---彩蝶
支持鸿星尔克女鞋饺子鞋秋季八爪鱼运动鞋子男鞋冬季椰子鞋百搭休闲鞋
冰公主
碧蓝航线精选美图 no.1 白鹰航母埃塞克斯美图