图知网
搜索
首页
热门推荐
图片分类
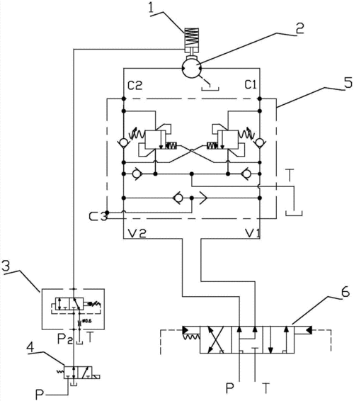
智造概论|关于小松pc挖掘机回转马达的详细讲解_机构
下载原图
相关图片
现代挖掘机回转装置系统结构原理图!
挖掘机的履带是怎么转动的?有何原理?
挖掘机回转机构发出异响的结构改进
液压挖掘机的回转装置由转台,回转支撑和回转机构等组成(图3-1).
一种旋挖钻机的回转液压回路制造技术
小松挖掘机回转液压马达的组成及原理
为你推荐
年轻时的"白"古天乐惊艳时光的男神,这样帅气的白古你见过吗
小喜田表情包逐帧解析
捉妖记1
一次三踝骨折分享(持续更新)
lol英雄联盟第八十一期圣枪游侠(卢锡安) 4k原画壁纸 # - 抖音
不要以为只有女明星会翻白眼 你还没看过林峰谢霆锋的翻白眼动图
惠州市博罗县罗浮山
对某人心寒的句子(表示对某人心寒的好句子)