图知网
搜索
首页
热门推荐
图片分类
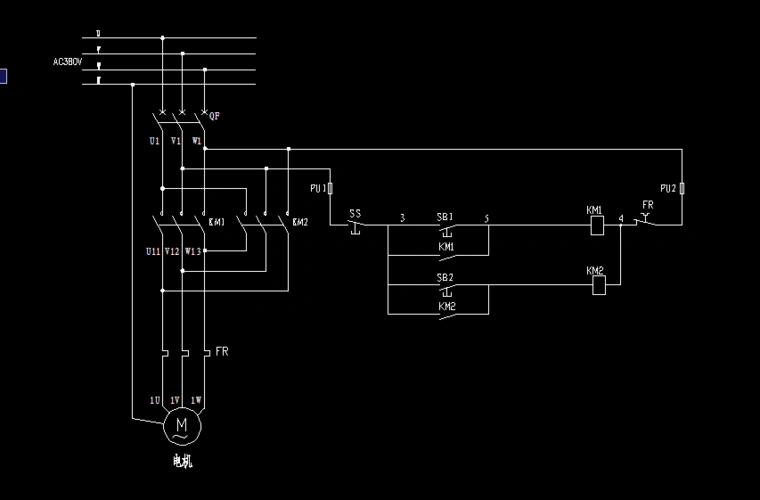
星三角实物接线图 - 星三角实物接线图 - 星3角启动接线图
下载原图
相关图片
传统的拖拉机启动电路( 见图 1) ,没有电源总开关,即使有的拖拉机有
拖拉机电路与读图
电动机启动线路图
跪求拖拉机电启动线路图 蓄电池 起动机 (3.
拖拉机电路求接法 发电机是一根线的 电流表是2个接线柱 钥匙门是3个
货车电路从电瓶到钥匙门再到起动机是怎样连接的
为你推荐
何洁人生圆满毫无遗憾
穿白色西装最好看的男明星#肩宽腿长皮肤白,王源穿白色系正装好好看.
糖炒板栗美食宣传海报psd源文件
刘雨鑫自毁形象演女鬼 《午夜心跳》惊魂(组图)
有没有一张让人一看就觉得你很有意思的照片?(适合做qq背景)?
紫檀柳手串:纹理可比海黄,被埋没的名木
我的世界基岩版史莱姆娘模组(有下载链接)
法丹尼尔##ff14