图知网
搜索
首页
热门推荐
图片分类
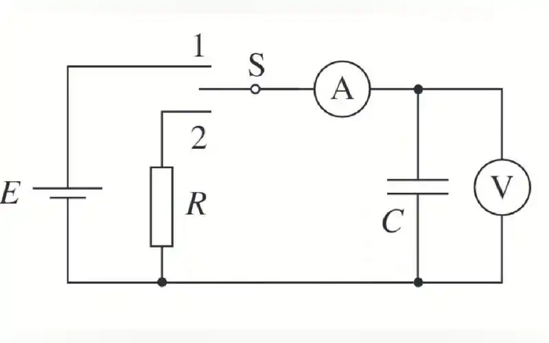
电容器充电过程
下载原图
相关图片
观察电容器的充放电现象
怎样给电容充电放电最好有线路示意图
再提供一个电容充电的常用公式:vc=e(1-e(-t/r*c)).
电容器充电放电原理
请教关于超级电容充放电的问题
电容充放电电路图_电容充放电电路
为你推荐
可爱刀刀狗卡通文字高清电脑桌面壁纸高清大图预览1920×1200_卡通动
十二星座是什么神,狮子座真霸气,我要和处女座做朋友
蜜袋鼯
海贼王动画的三大细节,索隆帅气值猛增,这就是动画与漫画的差别
庄生源敦煌壁画艺术 - 美篇
赛尔号大电影全集
蜡笔小新:小新睡觉太死,广志喊他都不醒,这多过分
水平仪二线三线无线