图知网
搜索
首页
热门推荐
图片分类
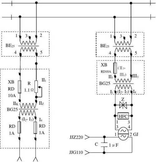
25hz相敏轨道电路抗干扰技术
下载原图
相关图片
25hz相敏轨道电路原理
25hz相敏轨道电路
25hz轨道电路故障判断
简析2560hz轨道电路故障分析处置
25hz轨道电路配线原理图及调整表
25hz轨道电路原理ppt
为你推荐
马嘉祺丁程鑫甜文1
不同种类的豆种子背景
关系
女人喝完就不省人事,醒来竟变成丧尸《神秘感染》_哔哩哔哩_bilibili
生化危机8boss挑战——母神米兰达(最高难度)
关注重庆万盛全域旅游研究院开通微信公众号啦
参赛作品:向国旗敬礼▲参赛作品:追逐▲参赛作品:《装弹》转载请
死亡细胞全套装皮肤获得详解