图知网
搜索
首页
热门推荐
图片分类
kimjisoo超话[桃花]#金智秀心动初恋#【考古】190409 icn出境 饭拍
下载原图
相关图片
9p回顾下那年今日的红发秀秀9190solo全款裸专【金智秀_kimjisoo
这个时期的blackpink都好活力红发秀jisoo
考古红发秀秀
kimjisoo超话[桃花]#金智秀心动初恋#【考古】190409 icn出境 饭拍
jisoo/红发魔女
kimjisoo超话[桃花]#金智秀心动初恋#【考古】190409 icn出境 饭拍
为你推荐
02,兰博基尼毒药
在她的脖子上戴着珍珠的老式礼服和白色手套在她的手捧着一朵花照片
女人白发多留什么发型白头发多怎么打扮不显老
q版女生头像
这款爆衣明日香看着有点可怜
gucci老花单肩包 中
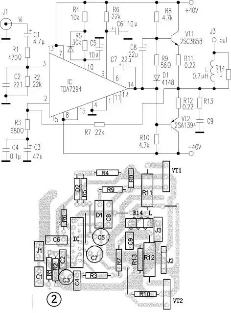
电路如图1所示,推动级采用了意法(sgs-thomson)公司的新品tda7294
老板方太油烟机阀止回阀倒风逆止阀回烟止回阀全开精品不锈钢150到180