图知网
搜索
首页
热门推荐
图片分类
徐州乐园糖果世界
下载原图
相关图片
双园同玩欢乐起航5月4日徐州糖果乐园欢乐世界亲子一日游孩子快乐玩耍
徐州乐园糖果世界
徐州乐园糖果世界
徐州乐园糖果世界
糖果屋儿童主题乐园
徐州乐园糖果世界
为你推荐
海默肖恩
畅享影屏魅力 体验视觉盛宴——无边书院"fun课补习
《诸事皆顺》2020年新年贺图书法
古代四大美女之一杨玉环简笔画再次升级啦20611
野生金蝉花新货 蝉花 知了花 大别山中药材冬虫夏草蛹虫草500克
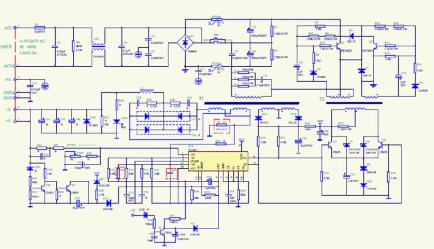
谁帮我分析分析这个150w 24v开关电源的原理,为什么会用两个变压器,好
搞笑ppt