图知网
搜索
首页
热门推荐
图片分类
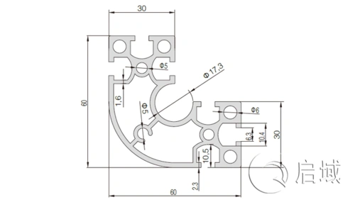
20201n铝型材-2020工业铝型材-欧标-2020铝型材图纸
下载原图
相关图片
厂家介绍黑色工业铝型材3060
3030工业铝型材的截面构造
铝型材 qy-8-4040gb
低价现货供应工业铝合金型材2020 diy机架铝型材 1.8mm厚欧标型材
铝型材技术参数图纸详解
熊大铝材衣柜门型材图
为你推荐
云顶之弈s4装备合成图 s4装备合成公式表[多图]图片3
果真是人有相似!有没有被陈都灵和章泽天惊艳到?
宝宝2岁涂色书学画入门儿童涂色画本画画书幼儿园小班中班启蒙
在柳州医药企业中,广西壮族自治区花红药业股份有限公司(以下简称花红
玉桂狗 大耳狗 cinnamoroll - 堆糖,美图壁纸兴趣社区
横店影视城之秦王宫,《芈月传》,《琅琊榜》等影视作品拍摄地
昆虫08世界
君子不器_吕旭草书条幅_书法味