图知网
搜索
首页
热门推荐
图片分类
384_电路
下载原图
相关图片
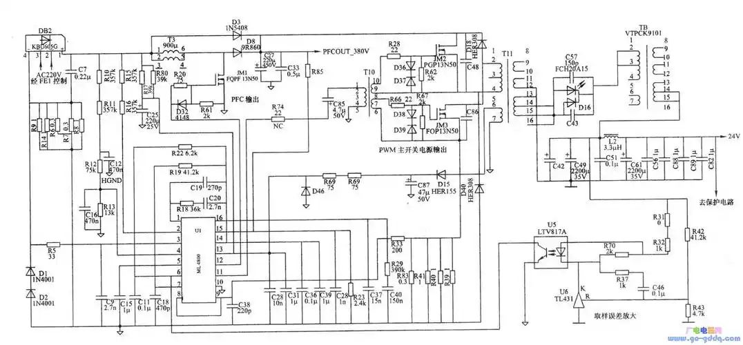
游戏悍将电源维修之四
ob6563 ob2203 tsm103w 电源pfc
夏新t3系列电源板功率因数校正电路原理分析
路邮器电源uc3843b故障快修一例
三相永磁无刷直流电机mc33035控制系统电路图三相信号产生 电路图
图解sg3525引脚(抛砖引玉) (amobbs.com 阿莫电子论坛)
为你推荐
飞轮海
东方红802推土机
腹腔镜胆囊切除术是目前治疗胆囊结石的"金标准".
dr求婚钻戒forever经典1克拉天然钻石婚戒指女k金铂金六爪a02001
新疆和田玉碧玉平安无事牌挂件出入平安吊坠菠菜绿玉石挂坠项链坠
1李氏家谱
徐僧
双叉臂高级运动前悬挂(e型多连杆后悬挂)