图知网
搜索
首页
热门推荐
图片分类
嗜血印最高难度全流程实况沉浸无解说第56章节
下载原图
相关图片
嗜血印全新性感服装dlc_游侠网
联机游戏 嗜血印 bloody spell 全dlc 邪神装 婚纱系列 皮肤 服装
嗜血印新春女神旗袍其他染色展示
嗜血印皮肤展示
嗜血印全服装图鉴 全皮肤获取方法
国产游戏嗜血印发布dlc皮肤婚纱是你喜欢的吗
为你推荐
1,扣点数 1 点,可读放大影像
垃圾袋秒变公主裙女儿获奖就靠它了
香蕉写生#水果线描写生#创意美术#创意线描 《香蕉写生》 适合年龄:8
用几何图形就能画出来的简单又可爱的小兔子创 - 抖音
107毫米迫击炮_膛线_炮管_美国
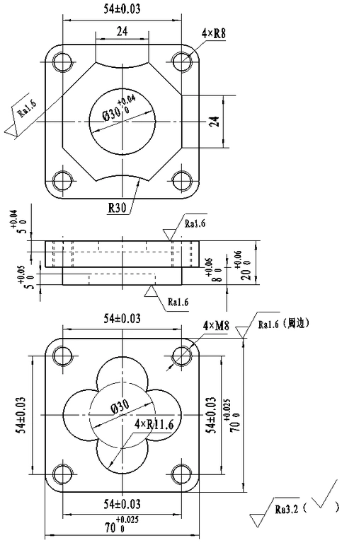
数控铣削手工编程练习题
铁齿铜牙纪晓岚 第二部