图知网
搜索
首页
热门推荐
图片分类
[转] 钟鼎器皿(一)
下载原图
相关图片
中国历代钟鼎器大观(原创)
中国文字博物馆导览大全(四)·钟鼎千秋
古代世界"第八大奇迹"——曾侯乙编钟
出土文物艺术品钟鼎瓷器古董中华艺术绘画
历史悠久的钟鼎图片第1张
历史悠久的钟鼎图片第10张
为你推荐
宋仲基新剧造型曝光泡面头露胸肌野蛮劲儿十足
老照片:80年代中国妇女的时髦发型,图6发型一直流行到现在
6月17日最漂亮早上好动态表情图片大全,早晨好动图美图大全|快乐|早安
印刷店铺出售得是成品荣誉证书 聘书,请备注包装方式:袋装封面工艺
名侦探柯南|动漫壁纸·少年团
56个民族服装(56个民族服饰漫画版)
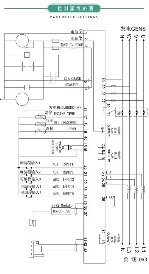
25_原装正品众智hgm6110n控制器,柴油发电机组四保护,自启_扬州市华宇
《爱情公寓》赵文琪晒与儿子合照,网友:老公是理查德吗