图知网
搜索
首页
热门推荐
图片分类
拼音"f"与单韵母的拼读
下载原图
相关图片
拼音f的笔顺怎么写_有几笔_声母表_汉语拼音网(手机版)
拼音" f "
声母f教学课件
一年级语文上:声母b,p,m,f,精讲,初步学习音节拼读
拼音宝宝 f
部编版一年级语文上册汉语拼音3《b p m f》图文讲解 知识点梳理
为你推荐
高楼大厦简笔画教程来啦~建筑系列简笔画,步骤详细,简单易学!
影视剧中宋小宝搞笑合集1
刘筱筱
永不凋零的白色山茶花茶花女
捷陆龙壁挂式伸缩楼梯室内外自动升降梯爬梯电动折叠楼梯房顶上墙tizi
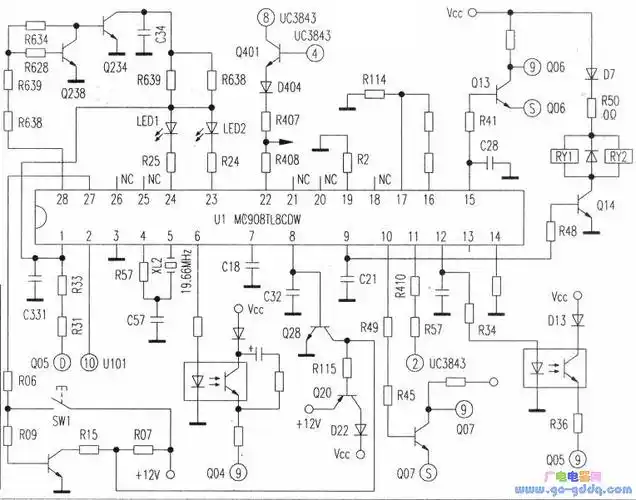
山特tg500ups电源逆变与市电切换电路分析
卡通简单可爱圆形眼睛素材 eyes clipart
古城街拍 - 影像河南 - 大河网眼遇-河南户外网|郑州亲子群|郑州