图知网
搜索
首页
热门推荐
图片分类
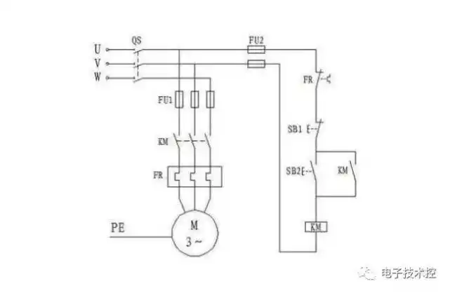
面试电工常考的电路图不懂的就是还没入门
下载原图
相关图片
电工面试常问问题答案
电工技术(面试 招工)
电工面试这3个电路图搞得明白电气主管当场录用
电工高手帮我,画一个自锁 互锁 连锁电路?面试电工用的啊!帮帮忙.
应聘电工免不了要面试.电气主管为了考察你的电工 - 抖音
求做1-5,电工技术题,在两个图中电压源的左边的箭头无视,那是我画的
为你推荐
奶狗可爱男生精选可爱男生头像
纹身分享##纹身设计##北京纹身店##纹身素材分享
外睑腺炎外睑腺炎发生在眼睫毛根部附近的睑缘处,起病初期局部红肿
有套套
中国影人刘晓春
20万现金遗落出租车!的哥赶到派出所报警,2小时后物归原主
好端端的西瓜为什么会突然自己爆裂看完大开眼界
昆明纹身适合女生的高级小众英文纹身