图知网
搜索
首页
热门推荐
图片分类
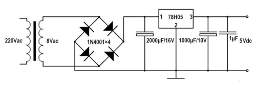
我要将12v电池用7805变为5v供usb要怎么连接?
下载原图
相关图片
lm7805的扩流电路可以扩到输出na的电流正常情况下才输出500ma大家
7805应用注意事项7805外围电路虽然简单,但使用不当容易损坏ic.
利用7805设计一个输出5v,2a(扩大输出电流)的直流稳压电源
扩流电路
低压大电流电源电路图
7805 扩流电源电路图
为你推荐
一曲相思简谱视唱第1页
国漫粉丝才是最会"向上管理"的
我的军装是陆军夏常服短袖上衣,军官的,有姓名牌魔术贴的,但是军衔是
碾压多么痛苦的领悟太机智了请原谅我笑点低你还能说出这样的类似词吗
犬夜叉弥勒珊瑚合集好色法师和除妖师的战国爱情故事
家庭开支明细表
迷你世界花小楼华丽变身,快去购买吧!
扁平疣_介绍_症状表现 - 好大夫在线