图知网
搜索
首页
热门推荐
图片分类
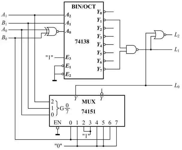
(六)组合逻辑电路
下载原图
相关图片
如何做到电压自动选择.比如说输入电压大于5v电流从a走,b路断开.
试用双4选1数据选择器74153设计一个全减器它能完成二进制减法运算s
实现数据选择功能的逻辑电路称为数据选择器.
1 组合电路的verilog描述 3.1.1 2选1多路选择器及其verilog描述
用与非门实现二选一数据选择器并测试.
两个2位二进制数a和b进行数值比较,用来表示a>b的逻辑函数中包括的最
为你推荐
在香港利东街,中华人民共和国国旗和香港特别行政区区旗迎风飘扬(6月
笛莎女童装连衣裙2021春秋装新款小童儿童时尚运动裙女孩公主裙子
断路器dw15万能1000a1600a2000a2500a4000a热电电磁框架低压断路器
海派小写意花鸟画第一人江寒汀作品精选下
妖怪名单苏九儿
家庭佛堂案例
小鸟的家
基层驻村第一书记的战疫关键时刻我要在一线