图知网
搜索
首页
热门推荐
图片分类
第34届香港金像奖红毯 张家辉光头造型亮相
下载原图
相关图片
1,张家辉光头!张家辉光头配上墨镜让人感觉十分有趣!
王家卫携妻子亮相第50届台湾金马奖红毯,张家辉第50届台湾金马奖红毯
张家辉的清醒,"打"了多少明星夫妻的脸
他演了几十年"光头"深入人心,娶了个如花似玉的老婆让人嫉妒!
年末最佳犯罪大片又来了,电影《怒潮》张家辉大变风格
张家辉你让我有点陌生了#光头造型,加上一人分饰多角反差巨大,看愿骀
为你推荐
我的祖国 谱友园地
印刷工厂直销dm广告彩页海报a4宣传单页设计制作双面彩印dm
央视男主持实力颜值并存,撒贝宁严於信胡悦鑫王言谁是top1?
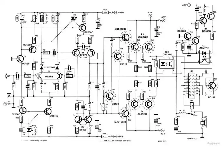
功放电路图大全(一)
安卓/iphone壁纸 好想你 雪景 孤独 分割字壁纸
真的会在某一个晚上或者一瞬间放下执念吗#我的城市下雨了 #城市夜景
郑爽《微微一笑很倾城》贝微微剧照图片桌面壁纸
大提琴指法第一把位一二弦指法位置以及指法相对应的音在五线谱上标记