图知网
搜索
首页
热门推荐
图片分类
为做国产豪华第一品牌 红旗再出招:神秘的全尺寸旗舰suv
下载原图
相关图片
湖南长沙二手车20年红旗hs5
使整车更为时尚2022款,红旗品牌旗舰
红旗hs7
红旗10万一15万越野 红旗hs5售价仅18万(高颜值中型suv)
红旗hs7价格及图片带您走进suv越野世家
中国一汽红旗suv价格(中国一汽红旗新能源越野车价格)
为你推荐
易烊千玺超话2021 /0211 /210211央视春晚好烂漫的一位#易烊千玺电影
漩口镇
地狱绘卷.#画画 #绘画 #手绘 #插画 #男高 - 抖音
油工刷漆刷墙详细指南
澳宴奇鲜香王烧烤调料商用袋装腌肉专用香料烧烤调料
吾王saber阿尔托利亚saber狮
早上好祝福语带图片早安问候语幽默早安问候语每日更新2021
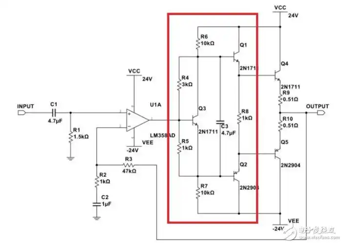
详解ocl功放差分放大电路