图知网
搜索
首页
热门推荐
图片分类
湖北弯管机dw75nc半自动型单头液压弯管机
下载原图
相关图片
一种半自动液压弯管机的制作方法与工艺
供应 全自动弯管机dw63cnc2a1s数控弯管机 张家港弯管机厂家
cn104536378a_一种用于切割镁铝合金的半自动折弯机的控制电路在审
立式液压驱动数控弯管机机设计【含cad图纸 pdf图】
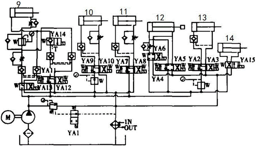
折弯机液压系统原理pdf
半自动弯管机数控弯管机弯管加工设备
为你推荐
鲜花上的水滴露珠图片-花卉壁纸-高清花卉图片-第9图-娟娟壁纸
青朗读红色经典诵读死也不自首
圣诞节情侣感应手链分享6015
资料图:沙俄强占中国领土示意图
体育锻炼对孩子有何好处
九里香怎么修剪?
三丽鸥万圣节系列… - 堆糖,美图壁纸兴趣社区
骆驼电池(襄阳)