图知网
搜索
首页
热门推荐
图片分类
做了几个12v充满自停充电器,能手们求解
下载原图
相关图片
关于自动启停的改装电路图
求一个简单的,充满自停的12伏充电器电路图,用变压器制作的最好谢谢啦
简易12v充满自停电路图六款充满自停电路分析全文
电动机单向控制电路故障检修方法
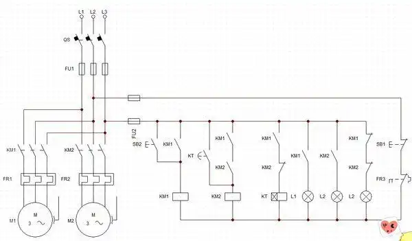
某机床上有两台三相异步电动机拖动,由一套起停按钮控制它们启停要求
自己动手,修复奇瑞a515电子扇不停转的故障!
为你推荐
华厦彩票
你笑起来真好看
日语平假名片假名汇总
有特色的酒吧
梦幻童话王国广东英德德奥园心花小镇温泉别墅清远境内酒景套餐
我梦想中的咖啡店吧台.
代友出蓝松石七彩神仙鱼
fateextra11集图解:尼禄为前御主扎比子上香残血高文碾压尼禄_雷欧来