图知网
搜索
首页
热门推荐
图片分类
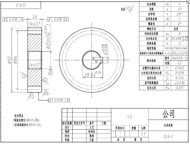
倒角的表面粗糙度值为();齿轮轮齿表面的表面粗糙度值为(); 3.
下载原图
相关图片
图7-25 直齿圆柱齿轮的画法在零件图中,轮齿部分的径向尺寸仅标注出
齿轮
求正规的齿轮图纸 想看看都需要标注什么参数 谢谢了
齿轮标注问题
如何根治行星轮系传动齿轮的表面缺陷
齿轮的标注是否准确
为你推荐
【吕一】当年天外飞仙里赛金一个转身,我以为是从漫画里走出来的
手写no.56—刘耀文篇#刘耀文 #时代少年团 #时代少年团 - 抖音
巨蟹女的配对星座头像是什么 巨蟹女生配对-卜安居
像素画网格画十二生肖团子
月光爱人_歌谱简谱_哆来咪123曲谱网
洛阳地铁1号线列车全车高配全程智慧
电机差速器电动三轮车大泰连接轴套大功率无刷配件电动车灯
王者荣耀蜀绣回城特效预览