图知网
搜索
首页
热门推荐
图片分类
冰雨的繁体字图片-冰雨的繁体字图片素材免费下载-千库网
下载原图
相关图片
印章艺术字都在这里啦,(还有国庆节专用字体哦)[彩虹r]快点看过来啦
红色印章字图片免费下载_红色印章字素材_红色印章字模板-新图网
珍品png素材透明免抠图片-艺术字集
红色中国风篆体古文繁体字印章素材
完事如意创意字体印章素材
中式古风传统复古典红色印章字体元素合集psd/png免抠设计素材
为你推荐
阿玛尼智能手表.安普里奥·阿玛尼(emporio arman - 抖音
白色棉麻索德汉沙发套和大地色系搭配,棉麻沙发套有质朴慵懒的休闲感
move free icon
2017六一儿童节可爱卡通宽屏壁纸
男子脸上祛痣后与系统照片不符 换新身份证遇阻
仙剑奇侠传酒剑仙值得培养吗 属性技能解析
二次元手机壁纸污 - 搜狗图片搜索
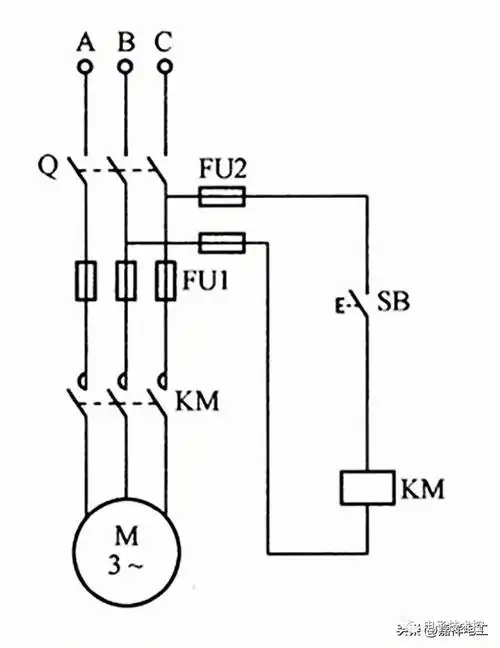
电动机常见的点动电路和自锁电路 - 工业控制 - 电子发烧友网