图知网
搜索
首页
热门推荐
图片分类
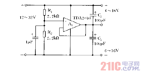
不用变压器将24v单电源变为双电源_百度知道
下载原图
相关图片
hifidiy论坛-关于单电源变双电源的资料整理 - powered by discuz!
单电源转换为双电源的电路图
单电源转换为双电源电路-面包板社区
单电源改双电源,帮我看看怎样行不行........_百度知道
单电源转换为双电源的电路图
单双电源转换电路图-电源电路-维库电子市场网
为你推荐
手绘pop海报范例欣赏
上唇珠突出,唇峰高于唇珠,唇形
ncaa疯狂三月过亿商业价值最纯粹的体育最成熟的商业运营全民情结
东莞东城第八小学社团活动提升文化软实力
皇朝ktv实景拍摄
安娜公主简笔画.
北京河湖水系规划(从新中国成立至2010年)
4平米u型厨房设计图,4平方小厨房装修效果图大全