图知网
搜索
首页
热门推荐
图片分类
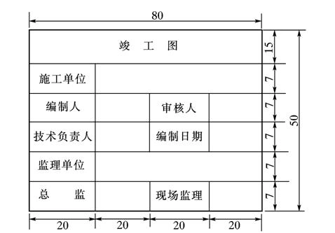
竣工图及完工验收资料课件
下载原图
相关图片
水利工程竣工图编制与整理
相关主题 你可能喜欢 竣工图图纸 竣工图章样式 竣工图图框 竣工图章
请教大家一下竣工图的底图图标大小理解问题
cad竣工图框模板
竣工图流程绘制竣工图的步骤
请问竣工图要盖几家单位的章呢?
为你推荐
欧豪 #少年 #电影 "我在用生命爱你" - 抖音
南京商场上演正装时尚秀中外男模帅气登场
掘金对阵太阳前瞻:约基奇工具挑杜兰特 布克,炮灰努尔基奇严阵以待
学校操场日系动漫背景图片
腰背部皮肤突然发现有点黑是什么情况?
嫌疑人 剧照
武功山风景