Warning: session_start(): open(/tmp/sess_ralja601jimsnfqpor2cfiin3s, O_RDWR) failed: No space left on device (28) in /www/wwwroot/www.tuzhiw.com/config.php on line 13

Warning: session_start(): Failed to read session data: files (path: ) in /www/wwwroot/www.tuzhiw.com/config.php on line 13
林一沈月新剧演情侣 - 图知网

林一沈月新剧演情侣

相关图片

为你推荐

陈伟霆公布恋情了!男有才,女有颜值;网友:很般配_宋茜_祝福_事情

流星花园国版vs韩版花泽类忍了看到杉菜我沦陷了

【ai卦者那啥子灵风】一切按计划进行

【排球少年】飞跃巅峰

屈螺酮炔雌醇片21片进口短效女性专用长期口服避马应龙大药房旗舰店

象山石浦旅游宁波象山石浦古城

胳膊肘上皮肤异常见照片,没什么疼痒感觉,只是很粗糙.

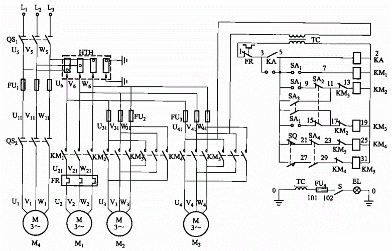
z37摇臂钻床控制电路


Warning: file_put_contents(/www/wwwroot/www.tuzhiw.com/cache/image/33f0a6eb1aa87fe6a1598b30b1723a17.html): Failed to open stream: No space left on device in /www/wwwroot/www.tuzhiw.com/config.php on line 196