图知网
搜索
首页
热门推荐
图片分类
单相jmb行灯照明变压器380v转220v变36v24v12v低压变压器 jmb-15kva
下载原图
相关图片
uv灯变压器和电容如何接线使之能正常工作!
变压器接线方式图解变压器接线方式图解380v变36v变压器接线图
变压器三相380v220v200v208v三项干式隔离15kva5kw10kw隔离变压器
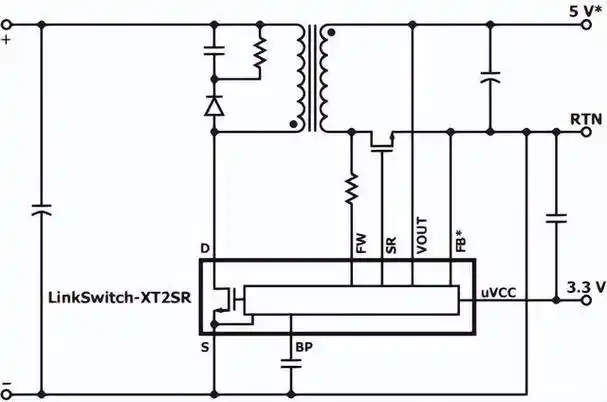
从反激变压器的高压侧/低压侧均能对功率开关管执行控制,低压侧的uvcc
6kwuv变压器 uv变压器整体浸漆 1-3kwuv镇流器
万盛区预装式箱式变压器回收服务商家
为你推荐
情侣日常 卡通图片,情侣日常秀恩爱(甜蜜幸福的卡通情侣头像)
picture
为游戏《穿越火线》云悠悠创作的角色插图
时尚优雅的衣着打扮让你变美不止一点点!秋天这样穿,展现好气质
无限极心维雅滋润润肤露乳液心维雅护肤品化妆品补水保湿润肤露
密封条范文模板
冬日秦景美如画开启赏冬季华山冬景美如画
榆林地图高清全图矢量可编辑全市各县区行政区划地图