图知网
搜索
首页
热门推荐
图片分类
预应力混凝土用钢绞线 19股用多大的波纹管
下载原图
相关图片
钢带增强聚乙烯螺旋波纹管
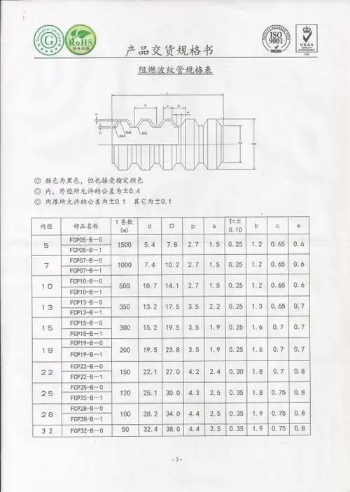
阻燃波纹管规格表
jdz 不锈钢柔性金属膨胀波纹管
厂家直销 预应力桥梁灌浆金属波纹管 镀锌波纹管
供应双壁波纹管
定制1寸304不锈钢波纹管dn25耐高温高压蒸汽工业钢丝编织网金属软管1
为你推荐
男生寸头发型推荐 渐变寸头帅气爆棚_男士短发 - 美发站
动漫简笔画女生侧脸q版动漫人物女生简笔画可爱女孩简笔画图片大全q版
电动车电池连接线48v60v72v84v耐高温纯铜电瓶连接线
努力工作,保持沉默,让你的成功成为你的噪音,艺术壁纸-回车桌面
特大汇昌电煎锅平底锅不粘锅韩式烤肉多功能电热锅商用烙饼电烤锅
寺院石雕八宝浮雕(图片大全)
史前社会词条图册_百度百科
纯银手镯